คุณสมบัติเครื่องเป่าลม

การวาดภาพ

คุณสมบัติเครื่องช่วยหายใจทางการแพทย์
ฟังก์ชันเปิดใช้งาน(เส้นสีม่วง)
การเชื่อมต่อสายสีม่วงเข้ากับ GND จะทำให้มอเตอร์หยุดตามธรรมชาติ และการถอดสายเปิดใช้งานออกจาก GND จะทำให้มอเตอร์ยังคงทำงานต่อไปได้
ระบบควบคุมความเร็ว
สามวิธี: การควบคุมความเร็วของโพเทนชิออมิเตอร์, การควบคุมความเร็วแรงดันไฟ 0-5v, การควบคุมความเร็ว PWM
เอาท์พุตพัลส์ความเร็ว (เส้นสีขาว)
สามารถคำนวณความเร็วกระแสไฟฟ้าจริงของพัดลมได้จากความถี่พัลส์ที่วัดได้
ทำไมถึงเลือกเรา

เหตุใดจึงควรเลือกผลิตภัณฑ์ของเรา
บริษัท Ningbo Wonsmart Motor Fan เป็นผู้ผลิตมืออาชีพที่เน้นผลิตมอเตอร์ DC แบบไม่มีแปรงถ่านขนาดเล็กและโบลเวอร์ DC แบบไม่มีแปรงถ่าน การไหลของอากาศสูงสุดของโบลเวอร์ของเราถึง 200 ลูกบาศก์เมตรต่อชั่วโมงและแรงดันสูงสุด 30 kpa ด้วยชิ้นส่วนคุณภาพสูงและกระบวนการผลิตที่แม่นยำ มอเตอร์และโบลเวอร์ WONSMART สามารถใช้งานได้นานกว่า 20,000 ชั่วโมง
Wonsmart ได้รับการรับรองมาตรฐาน ISO 9 0 0 1 เราให้ความสำคัญกับคุณภาพของผลิตภัณฑ์และการบริการลูกค้า ทีมงานมืออาชีพและคล่องแคล่วของเรามีเป้าหมายเดียวกันในการเป็นหนึ่งในซัพพลายเออร์มอเตอร์และโบลเวอร์แบบไร้แปรงถ่านที่ดีที่สุด
สินค้าชั้นนำ
วเอส 8045
แรงดันไฟ: 24VDC
ปริมาณอากาศไหลสูงสุด: 47M3/ชม.
แรงดันอากาศสูงสุด: 15.7KPA
วัสดุ: พลาสติก + อลูมิเนียม
น้ำหนัก: 270กรัม


WS9260
แรงดันไฟ: 24VDC
ปริมาณอากาศไหลสูงสุด: 130M3/ชม.
แรงดันอากาศสูงสุด: 17.5KPA
วัสดุ: พลาสติก + อลูมิเนียม
น้ำหนัก:420กรัม
WS145110
แรงดันไฟ: 24VDC
ปริมาณอากาศไหลสูงสุด: 25M3/ชม.
แรงดันอากาศสูงสุด: 28KPA
วัสดุ:อลูมิเนียม
น้ำหนัก: 1.5กก.


WS140120S
แรงดันไฟ: 24VDC
ปริมาณอากาศไหลสูงสุด: 130M3/ชม.
แรงดันอากาศสูงสุด: 14KPA
วัสดุ:อลูมิเนียม
น้ำหนัก:1.5กก.
WS145120
แรงดันไฟ: 48VDC
ปริมาณอากาศไหลสูงสุด: 90M3/ชม.
แรงดันอากาศสูงสุด: 140KPA
วัสดุ:อลูมิเนียม
น้ำหนัก: 1.5กก.


WS155150
แรงดันไฟ: 48VDC
ปริมาณอากาศไหลสูงสุด: 380M3/ชม.
แรงดันอากาศสูงสุด: 6KPA
วัสดุ:อลูมิเนียม
น้ำหนัก: 1.5กก.
การบริการของเรา
ราคาที่ดีที่สุด
เราสามารถเสนอราคาโรงงานที่คุ้มค่าที่สุด
การขนส่งที่มีประสิทธิภาพ
เวลาจัดส่งตัวอย่าง: 3-5 วัน
เวลาจัดส่งการผลิตจำนวนมาก: 15-30 วัน

ประเภทของพัดลมแบบแรงเหวี่ยงและแบบเทอร์ไบน์
Lorem ipsum dolor นั่ง amet consectetur adipisicing elit.
พัดลมหอยโข่ง
พัดลมแบบแรงเหวี่ยงหรือที่เรียกอีกอย่างว่าพัดลมแบบแรงเหวี่ยง เป็นอุปกรณ์เครื่องกลที่ใช้สร้างการไหลของอากาศโดยเพิ่มแรงดันของก๊าซหรือกระแสอากาศในท่อ โดยทำงานโดยแปลงพลังงานจลน์ของใบพัดให้เป็นพลังงานศักย์ ซึ่งจะเพิ่มความเร็วและแรงดันของอากาศหรือก๊าซที่เคลื่อนที่ บริษัทของเรามีพัดลมแบบแรงเหวี่ยงหลากหลายรุ่น เช่น รุ่น WS7040, WS8045 และ WS9260
พัดลมเทอร์ไบน์
พัดลมแบบเทอร์ไบน์เป็นอุปกรณ์อุตสาหกรรมประเภทหนึ่งที่ใช้กังหันเพื่ออัดอากาศหรือก๊าซ เทคโนโลยีนี้ใช้กันอย่างแพร่หลายในหลากหลายสาขา เช่น การบำบัดน้ำเสีย การลำเลียงด้วยลม และการเติมอากาศ บริษัทของเรามีพัดลมแบบเทอร์ไบน์หลากหลายรุ่น เช่น WS145110, WS145120 และ WS9070 โดยแต่ละรุ่นได้รับการออกแบบมาเพื่อตอบสนองความต้องการเฉพาะของลูกค้า
คำถามที่พบบ่อย
Lorem ipsum dolor นั่ง amet consectetur adipisicing elit.
ถาม: 1. ลูกค้า: ฉันสามารถใช้เครื่องเป่าลมนี้กับอุปกรณ์ทางการแพทย์ได้หรือไม่
A: ใช่ นี่คือเครื่องเป่าลมหนึ่งตัวของบริษัทเรา ซึ่งสามารถใช้กับ Cpap และเครื่องช่วยหายใจได้
ถาม: 2. แรงดันอากาศสูงสุดคือเท่าไร?
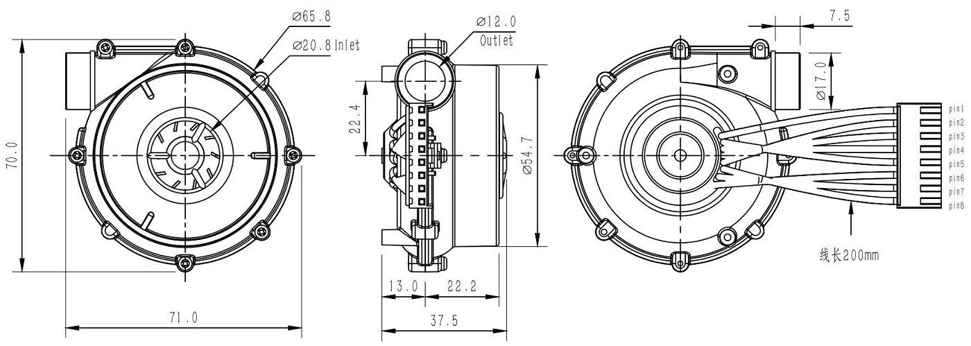
A: ตามที่แสดงในรูปวาด แรงดันอากาศสูงสุดคือ 6.5 Kpa
ถาม:3. ฉันสามารถขอความช่วยเหลือจากคุณได้ไหม หากฉันไม่รู้เรื่องมอเตอร์เลย?
A: ยินดีครับ เราเป็นคนดีและมีจิตใจดี
Q:4.คุณเป็นโรงงานหรือบริษัทการค้า?
A: เราเป็นโรงงานที่มีพื้นที่ 4,000 ตารางเมตร และเรามุ่งเน้นไปที่เครื่องเป่าลม BLDC แรงดันสูงมานานกว่า 15 ปี
Q:5.จะเปลี่ยนความเร็วใบพัดอย่างไรถ้าเราใช้บอร์ดควบคุมของคุณ?
A: คุณสามารถใช้ 0~5v หรือ PWM เพื่อเปลี่ยนความเร็วได้ บอร์ดควบคุมมาตรฐานของเรามีโพเทนชิออมิเตอร์เพื่อเปลี่ยนความเร็วได้อย่างสะดวก
Q:6.เราสามารถใช้เครื่องเป่าลมแรงเหวี่ยงนี้ดูดฝุ่นโดยตรงได้ไหม?
A: พัดลมเป่าลมนี้ไม่สามารถใช้ดูดฝุ่นโดยตรงได้ หากคุณต้องการดูดฝุ่น คุณสามารถขอให้เราเลือกรุ่นที่เหมาะสมสำหรับสภาพการทำงานพิเศษนี้ได้
ป้ายกำกับยอดนิยม: พัดลมเป่าอากาศแบบแรงเหวี่ยงขนาดเล็ก DC 24v สำหรับเครื่องช่วยหายใจทางการแพทย์ ผู้ผลิตและโรงงานผู้ผลิตพัดลมเป่าอากาศแบบแรงเหวี่ยงขนาดเล็ก DC 24v สำหรับเครื่องช่วยหายใจทางการแพทย์ของจีน







